Many
Manuals
search
Categorie
Marchi
Home
Sharp
Videocamera
VL-AH150
Manuale di Servizio
Sharp VL-AH150 Manuale di Servizio Pagina 53
Scaricare
Condividere
Condivisione
Aggiungi ai miei manuali
Stampa
Pagina
/
92
Indice
SEGNALIBRI
Valutato
.
/ 5. Basato su
recensioni clienti
1
2
3
4
5
6
7
8
9
10
11
12
13
14
15
16
17
18
19
20
21
22
23
24
25
26
27
28
29
30
31
32
33
34
35
36
37
38
39
40
41
42
43
44
45
46
47
48
49
50
51
52
53
54
55
56
57
58
59
60
61
62
63
64
65
66
67
68
69
70
71
72
73
74
75
76
77
78
79
80
81
82
83
84
85
86
87
88
89
90
91
92
VL-AH150U
VL-AH160U
123456789
1
0
11
12
13
14
15
16
17
18
19
20
A
B
C
D
E
F
G
H
I
J
62~63
8-10. POWER SCHEMATIC DIAGRAM
å
AND SHADED COMPONENTS=SAFETY RELATED PARTS
å
1
2
...
48
49
50
51
52
53
54
55
56
57
58
...
91
92
SERVICE MANUAL
1
1. IMPORTANT SERVICE NOTES
2
ATTENTION
3
CAUTION
4
2. SPECIFICATIONS
5
3. PART NAMES AND FUNCTION
6
4. DISASSEMBLY OF THE SET
7
LZ2413H5
12
5. MECHANISM ADJUSTMENT
13
5-2-2. Notes and cautions
14
Reel support surface
15
Rise waveform
17
REV OK Playback
17
REV NG Playback
17
5-4-4. Adjusting the Tu guide
18
5-5-1. Mechanism modes
19
5-5-2. Cassette control ass’y
20
5-5-4. Drum and Drum base
20
5-5-5. Phase matching
21
Insert the part in the rail
22
6-1. INITIAL SETTING OF E
24
6-3-2-1. Typical connections
25
<Extension Cable etc.>
25
0000 00
26
6-3-3-1. Adjusting the power
28
circuit
28
Standard value
29
6-4-2. Adjustment procedures
32
286mVp-p
33
6-5. TROUBLE SHOOTING
35
6-5-3. Charging mode troubles
36
7. SYSTEM BLOCK DIAGRAMS
37
VL-AH150U
38
VL-AH160U
38
ADD 43, 44, 45, 46
39
ADD 3F, 40, 41, 42
39
7-5. LENS DRIVE BLOCK DIAGRAM
42
- M E M O
43
RUNTZ0404TAZZ
44
(VL-AH160U)
44
(VL-AH150U/UC)
44
8-3. ZOOM SCHEMATIC DIAGRAM
46
8-4. DSP SCHEMATIC DIAGRAM
47
8-5. AUDIO SCHEMATIC DIAGRAM
48
8-6. SYSCON SCHEMATIC DIAGRAM
49
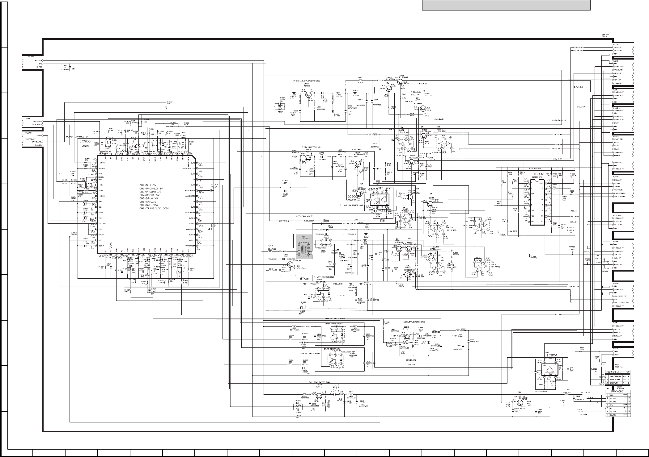
8-10. POWER SCHEMATIC DIAGRAM
53
8-11. I/O SCHEMATIC DIAGRAM
54
8-14. RF SCHEMATIC DIAGRAM
57
8-15. TG SCHEMATIC DIAGRAM
58
8-16. CDS SCHEMATIC DIAGRAM
59
8-17. LDRV SCHEMATIC DIAGRAM
60
8-20. CCD SCHEMATIC DIAGRAM
63
VCR PWB Wiring Side SIDE A
65
VCR PWB Wiring Side SIDE B
67
10. REPLACEMENT PARTS LIST/
75
EXPLODED VIEWS
75
PACKAGED CIRCUITS
76
COILS AND TRANSFORMER
76
CAPACITORS
77
RESISTORS
79
MECHANISM PARTS
85
CABINET PARTS LIST
86
(NOT REPLACEMENT ITEM)
87
CABINET EXPLODED VIEW
89
11. PACKING OF THE SET
91
ALL RIGHTS RESERVED
92
Commenti su questo manuale
Nessun commento
Publish
Prodotti e manuali riguardandi Videocamera Sharp VL-AH150
Videocamera Sharp VL-MC500U Manuale di Servizio
(116 pagine)
Videocamera Sharp ViewCam VL-NZ100U Specifiche
(112 pagine)
Videocamera Sharp OZ-640 Manuale Utente
(2 pagine)
Videocamera Sharp VN-EZ1U Manuale di Servizio
(58 pagine)
Videocamera Sharp Viewcam VN-EZ1U Specifiche
(42 pagine)
Videocamera Sharp VL-WD250S Manuale di Servizio
(139 pagine)
Videocamera Sharp VL-A10U Manuale di Servizio
(97 pagine)
Videocamera Sharp VL-C650S Manuale di Servizio
(148 pagine)
Videocamera Sharp VL-AX1U Manuale di Servizio
(117 pagine)
Videocamera Sharp VN-EZ1U Manuale Utente
(14 pagine)
Videocamera Sharp VL-NZ50U Manuale di Servizio
(124 pagine)
Videocamera Sharp VL-A111S Manuale di Servizio
(96 pagine)
Videocamera Sharp VL-NZ50U - MiniDV Compact Digital Viewcam Specifiche
(84 pagine)
Videocamera Sharp VL-AH131E Specifiche
(72 pagine)
Videocamera Sharp R-520E Specifiche
(136 pagine)
Videocamera Sharp VL-WD450U Specifiche
(120 pagine)
Videocamera Sharp VIEWCAM VL-A10H Specifiche
(63 pagine)
Videocamera Sharp VL-C650S Manuale di Servizio
(112 pagine)
Videocamera Sharp VN-EZ1U Specifiche
(49 pagine)
Videocamera Sharp VL-Z1U Manuale di Servizio
(129 pagine)
Stampa documento
Stampa pagina 53
Commenti su questo manuale