Many
Manuals
search
Categorie
Marchi
Home
Sharp
Videocamera
VL-AX1U
Manuale di Servizio
Sharp VL-AX1U Manuale di Servizio Pagina 82
Scaricare
Condividere
Condivisione
Aggiungi ai miei manuali
Stampa
Pagina
/
117
Indice
SEGNALIBRI
Valutato
.
/ 5. Basato su
recensioni clienti
1
2
3
4
5
6
7
8
9
10
11
12
13
14
15
16
17
18
19
20
21
22
23
24
25
26
27
28
29
30
31
32
33
34
35
36
37
38
39
40
41
42
43
44
45
46
47
48
49
50
51
52
53
54
55
56
57
58
59
60
61
62
63
64
65
66
67
68
69
70
71
72
73
74
75
76
77
78
79
80
81
82
83
84
85
86
87
88
89
90
91
92
93
94
95
96
97
98
99
100
101
102
103
104
105
106
107
108
109
110
111
112
113
114
115
116
117
123456789
1
0
11
12
13
14
15
16
17
18
19
20
A
B
C
D
E
F
G
H
I
J
VL-AX1U
108~109
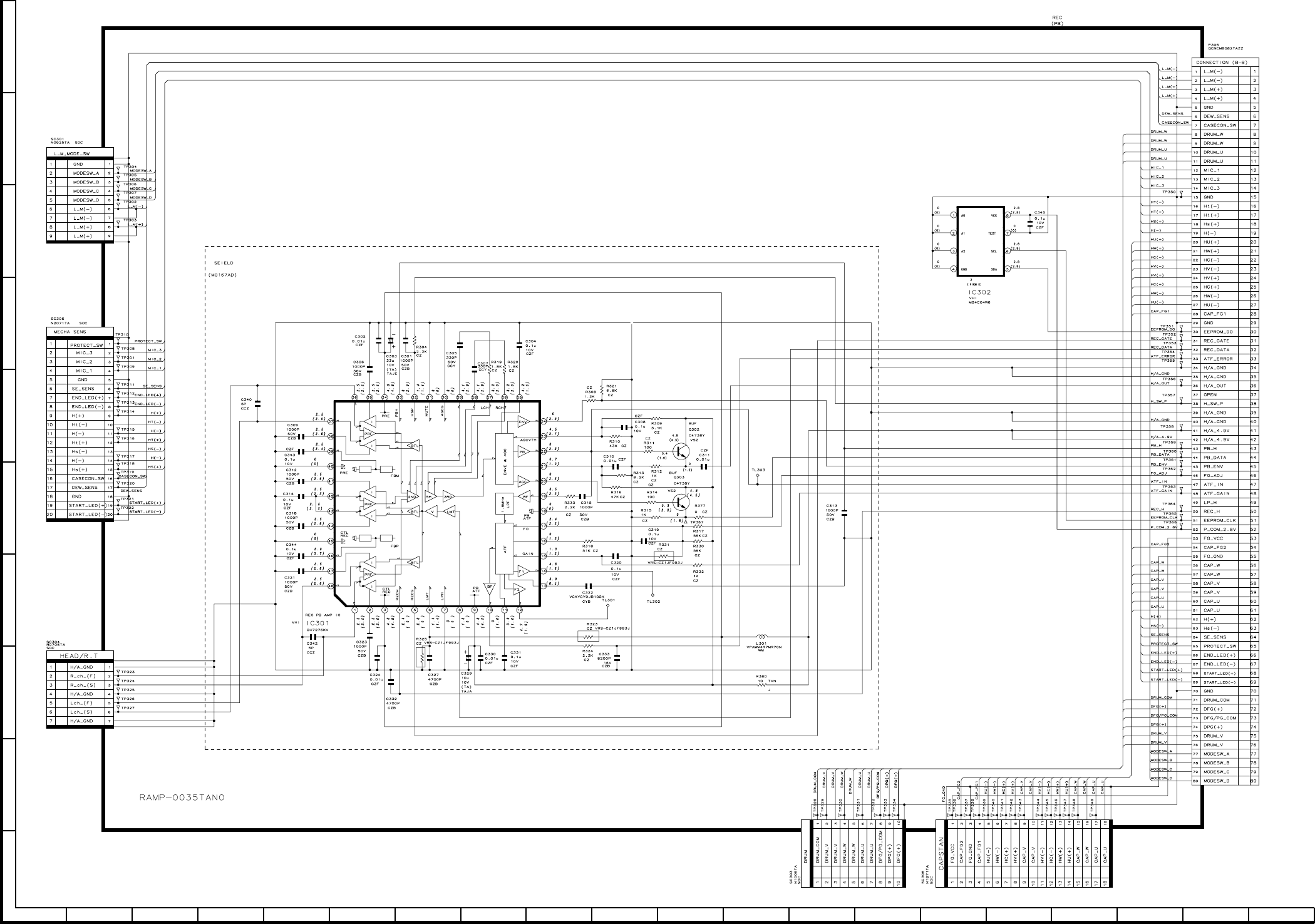
14-27. HEAD AMP SCHEMATIC DIAGRAM
1
2
...
77
78
79
80
81
82
83
84
85
86
87
...
116
117
SERVICE MANUAL
1
1. IMPORTANT SERVICE NOTES
2
ATTENTION
3
CAUTION
4
2. SPECIFICATIONS
5
3. PART NAMES
6
4. DISASSEMBLY OF THE SET
7
Camera=Main FPC BtoB
8
Lens FPC
8
Focus FPC
8
Lens cabinet
9
(1) Slide caliper
10
(2) Precision screwdrivers
10
(3) Radio needle-nose pliers
10
(4) Tweezers
10
Performance checks
11
6-2. Precautions
11
<Precautions>
12
8. TAPE RUNNING ADJUSTMENT
15
8-4. Running rough adjustment
16
8-5. Final running adjustment
16
(DISASSEMBLY AND REASSEMBLY)
17
9-4. Phase matching
19
(Tentative tightening)
20
Fit the main brake SPR from
21
Swing arm Ass'y
22
Reel cover Ass'y
22
FPC cover
22
9-6. Removing the cassette
23
[Making adjustments]
28
1.0±0.05
30
ADJUSTING THE LCD CIRCUIT
31
VIDEO I/O ENG DAC CIRCUIT
32
2.0Vp-p 0.1Vp-p
34
ADJUSTING THE MIC AMP CIRCUIT
35
MODEL ID SETTING
37
000A Iris offset adjustment
41
100mV/div
42
Picture fails
45
Blueback fails
45
12. SIGNAL FLOW DIAGRAMS
46
12-3. FLOW IN PB MODE (VIDEO)
47
WAVEFORM DIAGRAM
47
(DURING COLOR BAR PLAYBACK)
47
From IC3404
48
PB system
48
13. BLOCK DIAGRAMS
49
CCD CAMERA
50
- M E M O
55
14-4. CMC SCHEMATIC DIAGRAM
59
14-16. DAC SCHEMATIC DIAGRAM
71
14-18. V/F SCHEMATIC DIAGRAM
73
14-22. CCD SCHEMATIC DIAGRAM
77
14-23. TG SCHEMATIC DIAGRAM
78
14-24. CDS SCHEMATIC DIAGRAM
79
14-26. LCD SCHEMATIC DIAGRAM
81
MAIN PWB
85
CAMERA PWB
89
HEAD AMP PWB
92
Component Side SIDE A
92
Wiring Side SIDE A
92
Component Side SIDE B
93
Wiring Side SIDE B
93
17. REPLACEMENT PARTS LIST/
94
EXPLODED VIEWS
94
PACKAGED CIRCUITS
95
COILS AND TRANSFORMER
95
CAPACITORS
95
MISCELLANEOUS PARTS
102
DUNTK3120QA03
103
SUB PWB UNIT
103
RESISTORS
104
DUNTK3121QA01
105
CAMERA PWB UNIT
105
DUNTK3122QA01
106
LCD PWB UNIT
106
MECHANISM PARTS
108
CASSETTE CONTROL PARTS
108
CABINET PARTS LIST
109
CAMERA UNIT PARTS LIST
110
ACCESSORIES
111
CABINET EXPLODED VIEW
113
CASSETTE CONTROL EXPLOOD VIEW
114
CAMERA UNIT EXPLOOD VIEW
114
18. PACKING OF THE SET
116
COPYRIGHT
117
2002 BY SHARP CORPORATION
117
ALL RIGHTS RESERVED
117
Commenti su questo manuale
Nessun commento
Publish
Prodotti e manuali riguardandi Videocamera Sharp VL-AX1U
Videocamera Sharp VN-EZ1U Manuale Utente
(14 pagine)
Videocamera Sharp VL-NZ50U Manuale di Servizio
(124 pagine)
Videocamera Sharp VL-A111S Manuale di Servizio
(96 pagine)
Videocamera Sharp VL-NZ50U - MiniDV Compact Digital Viewcam Specifiche
(84 pagine)
Videocamera Sharp VL-AH131E Specifiche
(72 pagine)
Videocamera Sharp R-520E Specifiche
(136 pagine)
Videocamera Sharp VL-WD450U Specifiche
(120 pagine)
Videocamera Sharp VIEWCAM VL-A10H Specifiche
(63 pagine)
Videocamera Sharp VL-C650S Manuale di Servizio
(112 pagine)
Videocamera Sharp VN-EZ1U Specifiche
(49 pagine)
Videocamera Sharp VL-Z1U Manuale di Servizio
(129 pagine)
Videocamera Sharp VL-A111S Manuale Utente
(67 pagine)
Videocamera Sharp VL-NZ50S Manuale Utente
(72 pagine)
Videocamera Sharp VL-AH151S Manuale Utente
(75 pagine)
Videocamera Sharp VL-AH131S Manuale Utente
(67 pagine)
Videocamera Sharp VL-NZ100S Manuale Utente
(96 pagine)
Videocamera Sharp DSR-PD150P Manuale Utente
(172 pagine)
Videocamera Sharp VL-NZ100S Manuale Utente
(91 pagine)
Videocamera Sharp VL-AH160U Manuale Utente
(80 pagine)
Videocamera Sharp VL-AH130U Manuale Utente
(72 pagine)
Stampa documento
Stampa pagina 82
Commenti su questo manuale