
5-20
SADDLE STITCH FINISHER
Using the saddle stitch finisher
■ Selecting staple or saddle stitch from the printer driver.
OUTPUT
OFFSET
OK
SADDLE
STITCH
PUNCH
OFFSET
TRAY
CENTER
TRAY
STAPLE
SORT
SORT
GROUP
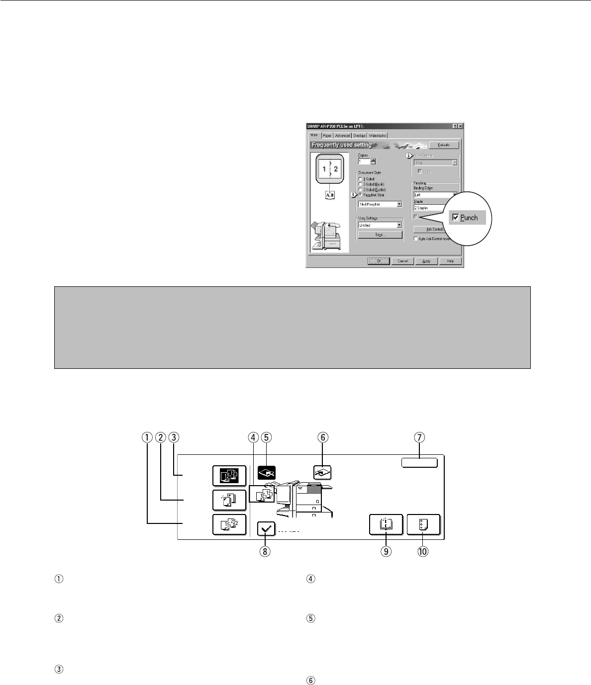
The illustration below shows the screen for a PCL printer
driver in the Windows 98 environment as an example.
Select “Properties” on the printer driver setting
screen and open the “Main” tab shown in the
illustration to the right. For normal edge or corner
stapling, select “Left”, “Right” or “Top” under Binding
Edge and “1 Staple” or “2 Staples” under “Staple”.
For saddle stitch selection, check the radio button
of “Pamphlet Style” under the Document Style
heading, then select “Tiled Pamphlet” or “2-Up
pamphlet”. Then select “2 Staples” in the “Staple”
drop down under the “Finishing” heading.
■ Selecting hole punching
Open the “Main” tab and check “Punch” under the
“Finishing” heading.
NOTES
● The settings screens above will appear only if the devices have been set properly in the printer driver configuration
(see NOTE on page 2-5).
● The combination of paper selection and other functions may not be compatible. For instance, if heavy paper,
envelopes, label stock, etc. are selected, it will not be possible to select duplex, offset tray, saddle stitch, etc. For
details, see printer driver help.
■ Using the finisher functions in the copy mode
When [OUTPUT] is selected on the copy mode basic screen, a screen for making selections for sort, group,
staple, punch and exit tray will appear.
[GROUP] key (See page 5-18.)
When Group is selected, all copies of the same
original will be grouped.
[STAPLE SORT] key (See page 5-19.)
When Staple Sort is selected, sorted sets will be
stapled and delivered to the offset tray. (They will
not be not offset stacked.)
[SORT] key (See page 5-18.)
When Sort is selected, sets of copies will be
sequentially delivered.
Icon display
An icon representing a selected function (sort, staple
sort or group) is displayed.
[OFFSET TRAY] key (See page 5-17.)
If Offset is checked, the offset will be enabled. If not
checked, the offset will not function. If the staple sort
is selected, the check mark of offset will be
automatically canceled.
[CENTER TRAY] key
If the center tray is selected, output paper will be
delivered to the exit tray located above the main unit.
Commenti su questo manuale