Many
Manuals
search
Categorie
Marchi
Home
Sharp
Fotocopiatrice
AR-150E
Specifiche
Sharp AR-150E Specifiche Pagina 103
Scaricare
Condividere
Condivisione
Aggiungi ai miei manuali
Stampa
Pagina
/
107
Indice
SEGNALIBRI
Valutato
.
/ 5. Basato su
recensioni clienti
1
2
3
4
5
6
7
8
9
10
11
12
13
14
15
16
17
18
19
20
21
22
23
24
25
26
27
28
29
30
31
32
33
34
35
36
37
38
39
40
41
42
43
44
45
46
47
48
49
50
51
52
53
54
55
56
57
58
59
60
61
62
63
64
65
66
67
68
69
70
71
72
73
74
75
76
77
78
79
80
81
82
83
84
85
86
87
88
89
90
91
92
93
94
95
96
97
98
99
100
101
102
103
104
105
106
107
PO
WER SUPPL
Y (100V/110V)
AL-1000/1010
13-9
1
2
...
98
99
100
101
102
103
104
105
106
107
[1] GENERAL
2
[2] SPECIFICATIONS
3
[The reattachment procedure]
9
B. Drum unit
10
[6] Printing process
22
(–580V/–400V)
23
Semiconductor laser
24
[7] OPERATIONAL DESCRIPTIONS
26
To MCU PWB
27
1) Basic structure
28
2) Laser beam path
28
3) Composition
28
Heat roller
29
Thermistor
29
Thermal fuse
29
Heater lamp
29
Separator pawl
29
[8] DISASSEMBLY AND ASSEMBLY
34
D. Charger wire cleaning
35
E. Charger wire replacement
35
Note that there are 13 pawls
36
C. Assembly procedure
37
Heat roller disassembly
39
B. Disassembly procedure
40
Wire treatment
45
Multi cover
46
[9] Adjustment
51
(4) Image position adjustment
57
1. Lead edge adjustment
57
Document guide
58
Copy paper
58
(A4 or 8 1/2″ × 11″)
58
Test chart
59
White paper
59
(1) Main charger (Grid bias)
60
Procedures
60
(2) DV bias adjustment
60
2. List of simulation
62
3. Contents of simulations
63
4. Trouble Codes
72
[11] USER PROGRAM
73
[12] ELECTRICAL SECTION
74
A. Maiin PWB (MCU)
76
(1) CPU signal table
76
(2) ASIC
79
(3) Reset circuit
86
(5) Driver circuit (Solenoid)
88
(7) Main motor drive circuit
88
Mirror motor
89
Block diagram
90
(2) FW signal
92
(3) Heater lamp drive circuit
92
CL (Xenon lamp)
93
CL- (CNT)
93
Input +24V
93
Selector
94
IC902,903
94
[13] CIRCUIT DIAGRAM
95
AL-1000/1010
100
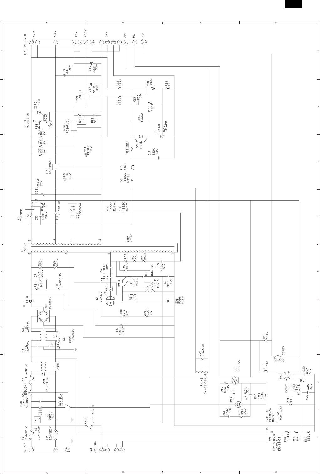
POWER SUPPLY (100V/110V)
103
POWER SUPPLY (120V/127V)
104
POWER SUPPLY (200V Series)
105
ACTUAL WIRING DIAGRAM
106
SHARP CORPORATION
107
Commenti su questo manuale
Nessun commento
Publish
Prodotti e manuali riguardandi Fotocopiatrice Sharp AR-150E
Fotocopiatrice Sharp AR-NB2 Manuale di Servizio
(36 pagine)
Fotocopiatrice Sharp AR-M208 Manuale Utente
(9 pagine)
Fotocopiatrice Sharp AR-151 Specifiche
(170 pagine)
Fotocopiatrice Sharp MX-PNX1B Manuale Utente
(2 pagine)
Fotocopiatrice Sharp MX-M200D Manuale Utente
(5 pagine)
Fotocopiatrice Sharp AR-5220 Manuale Utente
(88 pagine)
Fotocopiatrice Sharp SF-2530 Manuale Utente
(34 pagine)
Fotocopiatrice Sharp AR-150 SERIES Manuale Utente
(1 pagine)
Fotocopiatrice Sharp AR-C360P Specifiche
(181 pagine)
Fotocopiatrice Sharp MX-M283 Manuale Utente
(12 pagine)
Fotocopiatrice Sharp AR-207 Manuale Utente
(5 pagine)
Fotocopiatrice Sharp AR-M276 Manuale Utente
(1 pagine)
Fotocopiatrice Sharp JH-1600E Manuale Utente
(13 pagine)
Fotocopiatrice Sharp AL-1225 Manuale Utente
(9 pagine)
Fotocopiatrice Sharp DX-C400 - Color - All-in-One Manuale Utente
(12 pagine)
Fotocopiatrice Sharp MX-C402SC Manuale delle Istruzioni
(58 pagine)
Fotocopiatrice Sharp DM-1505 - B/W Laser Printer Manuale Utente
(4 pagine)
Fotocopiatrice Sharp AR-F14N Manuale Utente
(8 pagine)
Fotocopiatrice Sharp AL-1670 - B/W Laser - Copier Specifiche
(72 pagine)
Fotocopiatrice Sharp AR-M276 Manuale Utente
(24 pagine)
Stampa documento
Stampa pagina 103
Commenti su questo manuale