
(4) Heater lamp control circuit
(1) Outline
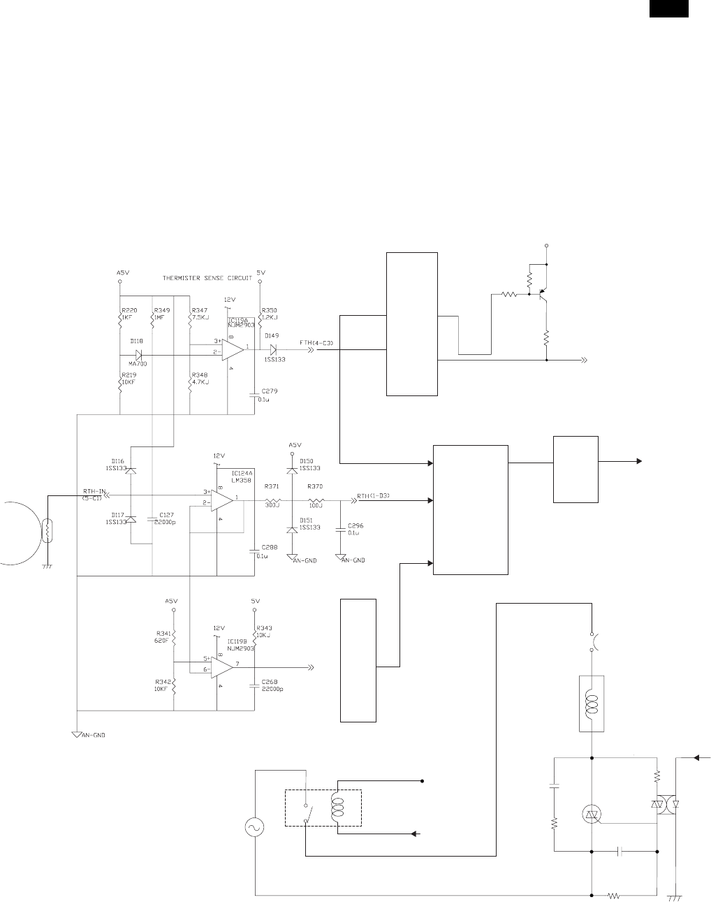
The heater lamp control circuit detects the heat roller surface
temperature and converts in into a voltage level, which is in-
putted to the CPU analog input pin.
The CPU converts the analog voltage into a digital signal level
and compares it with the set value of the simulation to turn
on/off the heater lamp according to the level, maintaining the
heat roller surface temperature at a constant level.
5V
HLOUT(5-A4)
Thermostat
Heater lamp
HLOUT
PC2
TRC1
+24V
PR-
RY1
Selector
IC112
ANo
IC110
CPU
PR
PR-
Driver
IC103
R112
120J1/4W
Q104
DTA143XKA
HL-HL
Heat
roller
Thermistor
1
2
THOPEN
AC
Driver
IC114
AL-1000/1010
12-14
Commenti su questo manuale