
AR-CF2 ELECTRICAL SECTION 8 - 3
C. Circuit Detail
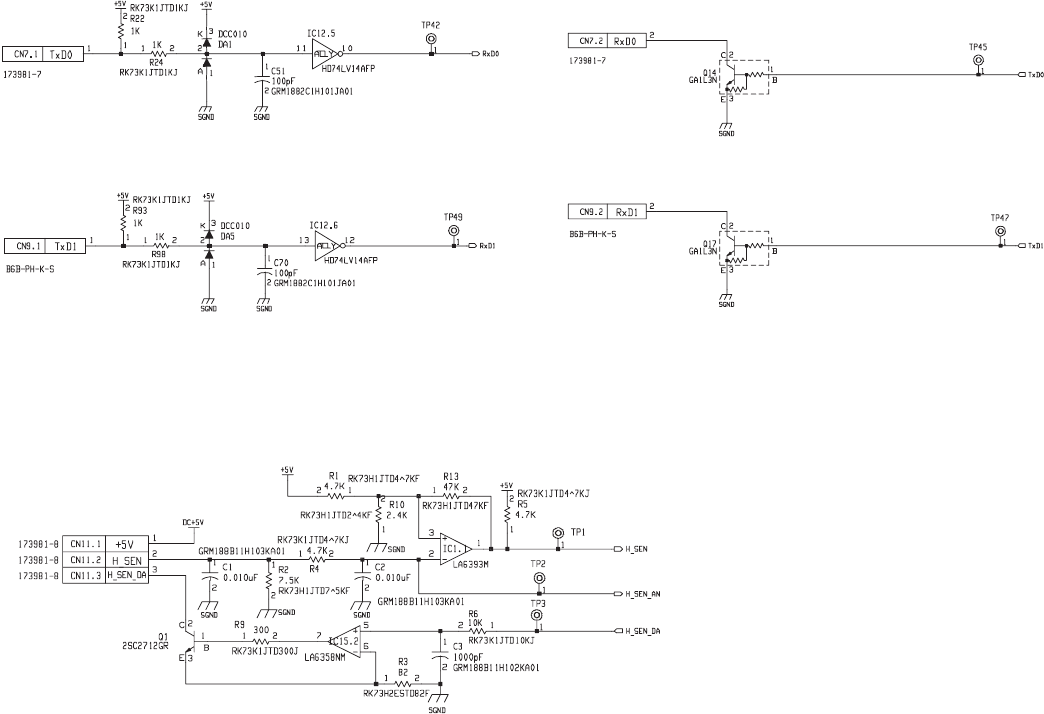
(1) Communication Circuit
<1> TxD signal <2> RxD signal
This circuit communicates with the main unit and the finisher.
TxD0 and TxD1 are data signals transmitted from the main unit and the finisher to the inserter. RxD0 and RxD1 are data signals transmitted from the
inserter to the main unit and the finisher. Logical 1 is represented by +5V, and logical 0 is represented by 0V.
(2) Sensor Input Circuits
<1> Reverse Sensor (H_SEN)
H_SEN uses the reflective sensor integrated with an LED and a pho-
totransistor.
The sensor detects a sheet between the sensor and the opposite
reflector interrupting the light path.
The CPU (IC6-Pin94, 95, 96) output is transmitted to the sensor to light
the LED through the D/A converter (IC13), the operational amplifier
(IC15.2), and the transistor (Q1). Meanwhile the signal is transmitted to
the CPU (IC6-Pin30) through the noise filters (R4, C2) and the compar-
ator (IC1.1).
The signal input to the CPU follows the logic: "H" when a sheet is
detected, "L" when not detected.
The analog signal is transmitted to CPU (IC-Pin105) through no com-
parator.
R1 and R10 divide the +5V voltage which is applied to the comparator
as the reference voltage.
R13 is used to make the reference voltage have hysteresis.
Main Unit
Finisher
Main Unit
Finisher
Reverse Sensor
Commenti su questo manuale