
FO-4970U
1
2
6
4
3
5
BDEFG
I
HCA
BDEFG
I
HCA
1
2
6
4
3
5
–
+
–
+
+
–
0
1
5
3
4
TXMUTE
+12V
3
2
1
4
11
0
1
14
13
12
0
1
1
2
15
CB
CB
CB
VDD
INH
VEE
VSS
4
C9
47/16
DG
R365
100K
C269
330P
R360
150K
C7
4.7/50
C8
1/50
R251
20K
C223
4700P
R297
1K
BZOUT
VOLA
VOLB
VOLC
SPMUTE
SP–
SP+
VREF
SIGTX
R538
10K
R539
8.2K
C224
DG
IC25A
HCF4053
R540
22K
VREF
R541
27K
R544
15K
DG DG
+12V
IC43A
NJM2902M
C525
330P
R543
3.3K
TXOUT
DG
DG
+12V
6
7
8
IC25D
HCF4053
C221
0.1
+5V
GAINC
R299
10K
C526
220P
R546
27K
+12V
SIGRX
R547
11K
DG
14
4
11
12
13
IC43D
NJM2902M
11
IC25C
HCF4053
R292
18K
R290
18K
R291
0
R289
C532
2.2
N.M.
TP27
TP26
EXTSIG
RXIN
R295
20K
10
IC25B
HCF4053
+12V
R548
22K
BZCONT
C222
0.1(K)
R367
10K
R368
470
R369
1K
R370
1K
R371
33K
DG
DG
DG
DG
Q103
DTC114EK
Q104
DTC114EK
Q105
DTC114EK
DG DG DG
+5V
R364
10K
+5V
2
3
5
6
17
8
IC33
NJM2113M
DGDG
R296
20K
C200
0.01(K)
C270
0.1
R363
3K
9
E
E
E
(1-2A)
(3-5G)
(1-2A)
(3-3G) (14-3C)
(14-4C)
(1-3A)
(14-4C)
(14-2A)
(14-2A)
(1-3A)
(6-3G)
(6-3G)
(7-1E)
(1-4A)
R542
51K
DG
R551
3.3K
+5V
R293
10K
Q500
DTC114EK
DG
CB
E
VREF
B
+12V
C
DG
E
Q501
DTC114EK
R545
22K
C530
0.1(K)
DG
CB
E
Q502
DTC114EK
N.M.
+5V
R294
10K
16
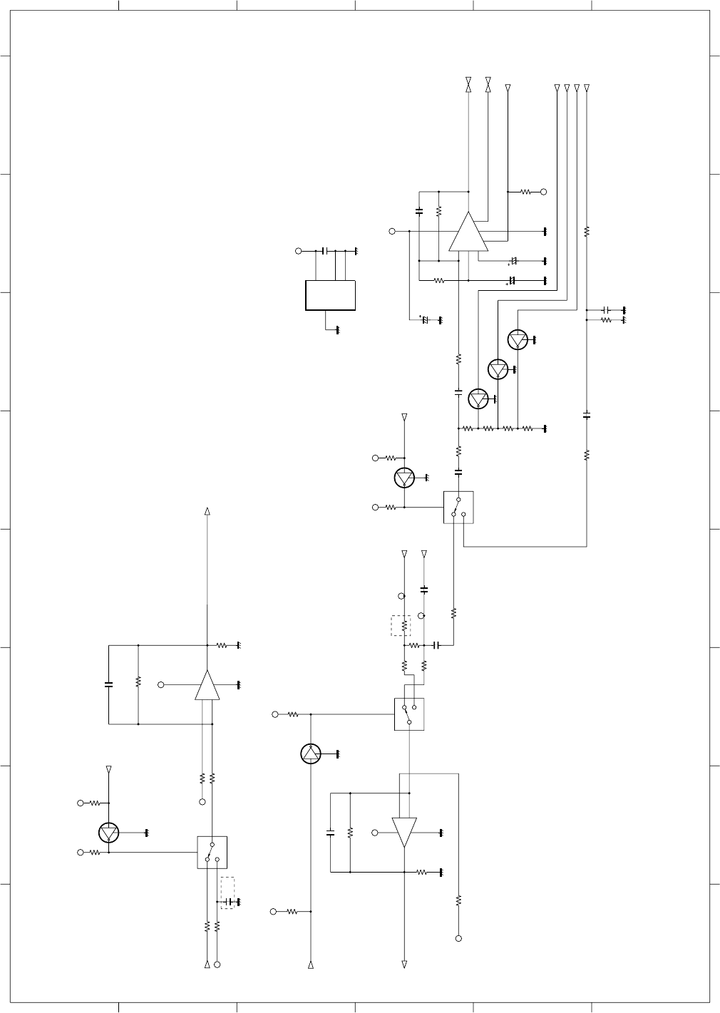
Modem block 2 4/16
6 – 4
Commenti su questo manuale