
FO-4970U
1
2
6
4
3
5
BDEFG
I
HCA
BDEFG
I
HCA
1
2
6
4
3
5
N.M.
N.M.
N.M.
13
12
5
71
77
41
58
78
79
27
73
80
74
76
32
75
26
6
DA1/P56
DA2/P57
AN3/P76
DA4/P81
CMPREF/AN9/P64
P17
P36
CMPIN/AN8/P63
CMPOUT
RESET
VCC
CMPVCC
ADVREF
DAVREF/P65
VSS
AVSS
CNVSS
AN2/P75
55
56
15
9
16
11
10
7
65
30
31
46
70
69
68
29
67
50
8
C123
1000P
C150
1000P
C140
1000P
C137
1000P
C138
1000P
C139
1000P
C149
1000P
C125
1000P
66
C121
0.01
Q103
DTC114YUA
C
B
E
AK
1
2
16
15
14
13
12
11
10
9
1
2
3
4
5
6
7
8
16
15
14
13
12
11
10
9
1
2
3
4
5
6
7
8
CB
E
Q102
DTC114YUA
T1
T2
T3
VR1
10K
45
52
43
42
44
4
24
51
28
48
47
36
35
34
57
20
17
53
33
37
64
63
62
61
22
23
21
25
40
39
54
14
19
72
49
3
2
1
60
59
18
38
P EMP1
216
9
8
314
9
8
6
11
9
8
413
9
8
512
9
8
710
9
8
BC
E
BC
E
R152
10K(1/10W)
Q104
DTC114YUA
Q101
DTB114EK
ANODE(PS3)
(2-4D)
(2-4D)
(2-4D)
(2-4F)
LD APC1
LD APC2
CO
POLYGON CTL
(2-2D)
(2-2B)
FUSER RL
THERMISTER
(2-2D)
/FUSER LAMP
(2-4D)
/L DATA
(2-4B)
/VIDEO
(2-4D)
/S SCAN
(2-5B)
/HSYNC
(2-3D)
MA
(2-3D)
/MA
(2-3D)
MB
(2-3D)
/MB
+5V
DG
R114
10K(F)
DG DG
DG
+5V
R150
DG
R148
68(1/10W)
R149
R145
2.2K
DG
R131
2.2K
C145
1000P
C136
+5V
R124
3K
R123
10K
DG
+5V
TP2
R135
10K
R119
4.7K
R147
10K
R151
10K
DG
R146
10K
1
7
3
2
14
IC5A
74VHC02
14
4
7
5
6
IC5B
74VHC02
14
10
13
8
9
IC5C
74VHC02
14
7
11
12
IC5D
74VHC02
R142
2.2K(F)
DG MG
16
8
1
9
+24V
C147
0.1
R122
10K
R121
10(1/4W)
D101
1SS355
IC3-1
ULN2003A
DG
C131
18P
C130
18P
X1
8MHz
DG
C148
0.1
+5V
+24V
F100
ICP-S1.8
12
R103
56K
C102
820P
IC1
TEA3718SDP
MOTOR DRIVER
MB
P.TIME
VMM
GND
GND
VCC
I1
PHASE
SENSE
MA
VMM
GND
GND
VREF
COMP
IO
MG
R111
1K
R101
0.68(1/2W)
R100
1.3
(1/2W)
C115
820P
R112
1.0A
C1
47/35
R129
56K
C133
820P
IC4
TEA3718SDP
MOTOR DRIVER
MB SENSE
P.TIME
VMM
GND
GND
VCC
I1
PHASE
MA
VMM
GND
GND
VREF
COMP
IO
1.0A
+5V
R127
1K
C141
820P
R128
0.68
(1/2W)
R126
1.3(1/2W)
R118
10K
R113
10K
+5V TP4
R140
82(1/10W)
R141
2.7K(1/10W)
DG
DG
+5V
+5V TP1
+5V
C129
1.0
DG MG
DG
R106
10K
+24V
+5V
R116
6.8K
R115
39K
2
3
1
D100
1SS226
C119
0.1
R137
10K
C144
0.1
+5V
R108
4.7K
+24V
MG
C113
0.01
IC3-2
ULN2003A
C101
0.01
C126
0.01
C114
0.01
C112
0.01
C124
+24V
MG
IC3-3
ULN2003A
C122
0.01
C105
0.01
C108
0.01
C107
0.01
C111
0.01
C110
0.01
C109
0.01
C103
0.01
C104
0.01
DG
R102
4.7K
R110
47K
R107
4.7K
R105
4.7K
R104
4.7K
RA1
4.7K x 4
RA2
4.7K x 3
R153
10K
R134
10K
R144
10K
TP3
R143
4.7K
+24V
MG
IC3-7
ULN2003A
+24V
MG
+24V
MG
+24V
MG
IC3-5
ULN2003A
IC3-6
ULN2003A
IC3-4
ULN2003A
DG
DG
DG
R138
10K
R139
10K
R117
4.7K
R132
R133
C120
0.01
+24V
+5V
C128
R130
10K
R136
10K
R120
10K
C117
C146
C135
C127
1000P
C118
C134
0.01
C143
0.033
C116
0.01
DG
+5V
R109
220 (1/4W)
DG
C100
0.01
DG
C106
0.01
B
C
E
Q100
DTD123
/RESET
(2-5B)
(2-5F)
/FEED1
(2-2B)
(2-5H)
/PS1
(2-4F)
PS3
(2-5F)
PS4
(2-5H)
TONER LEVEL
(2-4H)
MF SIZE
(2-5H)
PICK3
SIZE20
SIZE21
/UNIT
P EMP2
CHECK2
/2ND:3RD
/M3 ON
M3 CLK
/TEST
/EPRDY
/PRRDY
/ETBSY
/TOD
/STS
/CMD
/SRCLK
/CTBSY
/CPRDY
/PRINT
T REM
C REM
B VR
T VR
HV C HL
B MON
C MON
T MON
FAN
/FAN LOCK
(2-3F)
(2-3F)
(2-3F)
(2-3F)
(2-3F)
(2-3F)
(2-3F)
(2-3F)
(2-3F)
(2-3F)
(2-4H)
(2-3B)
(2-5B)
(2-4B)
(2-4B)
(2-4B)
(2-4B)
(2-4B)
(2-4B)
(2-4B)
(2-3B)
(2-4B)
(2-5D)
(2-5D)
(2-5D)
(2-5D)
(2-5D)
(2-5D)
(2-5D)
(2-5D)
(2-2D)
(2-2D)
/FEED2
/TONER LED
IC2
M38073M4-257FP
CPU
P01
RTP4/P86
P00
CNTR0/P54
SCLK2/P72
INT4/P53
SIN2/P70
SOUT2/P71
AN1/P74
RTP5/P87
XIN
XOUT
P12
P40
RTP0/P82
RTP1/P83
RTP2/P84
RTP3/P85
P06
AN0/P73
P13
P04
P15
P16
P14
AN4/P77
P43
P05
P41
P10
P11
P24
P25
P26
P37
P47
P52
P03
P27
P23
P30
P31
P32
P33
TXD/P45
RXD/P44
SCLK1/P46
INTO/P42
P20
P21
P02
CNTR1/P55
P50/TOUT
DA3/P80
P07
AN5/P60
AN6/P61
AN7/P62
P34
P35
P51
P22
7
DG
N.M.
N.M.
+5V
DG
R1
4.7K
R2
0
C151
0.01
TRAY SW
N.M.
(2-4H)
N.M.
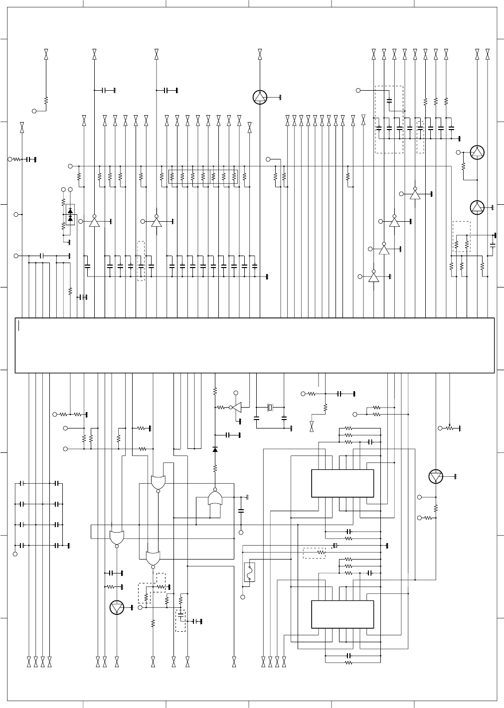
[3] Printer PWB circuit 1/2
6 – 21
Commenti su questo manuale