
AR-FX8 ELECTRICAL SECTION 8-1
[8] ELECTRICAL SECTION
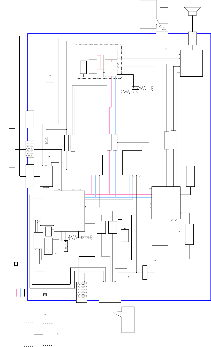
1. MDMC PWB
A. Block Diagram
30PIN
LED x 3
SP
CONNECTOR
POWER
CONNECTOR
RESET
CIRCUIT
NIGHT TIME FAX
POWER CONNECTOR
MODEM CIRCUIT
MODEM
(ROM)
MODEM
(SRAM)
VOICE PATH
SWITCH CIRCUIT
SDRAM
(WORK
MEMORY)
TD62503F
TEL/LIU
PWB UN
FAX
POWER
UNIT
CRYSTAL
OSCILLATOR
14.7456MHz
TPW4,5:
POWER ON MODE
SELECT PIN
TPW12,13:
PIN for ROM
loader writing (BOOT)
3-PIN REGULATOR
(CPU POWER 1.8V)
2PIN
/6PIN
AOUTM
DTC363E
3.3V ⇒ 5V, 12V
TELRX
RD/WR-,WAIT,BS,WE0-,WE1-
CS0-,CS3,CS4-,CS5-,IRQ3-
CSMDM-,IORD-
IOWR0-,IOWR
1-
CKIO
To FAX G/A
/3PIN
CRYSTAL
OSCILLATOR
(12.5MHz)
CRYSTAL
OSCILLATOR
(24.576MHz)
MFP CONTROLLER
(FAX INTERFACE PWB)
/
26PIN
ROM EMULATOR
I/F PWB
/
3PIN
PARTNER-ET II
(ROM EMULATOR)
H-UDI
CONNECTOR
FOR EMULATORS
SIGRX, TELRX, SIGTX
HS1-, HS2-, RHS, CI-
EXHS-, CION, MR, SCML
DP, RCVMUTE-, MICMUTE-
VRSEL1-, VRSEL2-, VRSEL3-
EC,CID-, FNETD-
+5V (F), +12V (F), +12VS (F)
GND(DG), GND(AG), GND(DGS)
To FAX G/A
From RESET CIRCUIT
From 3.3V ⇔ 5V
RES_MFP-, FAX_PWON
PRON_FAX-
CTS2, TXD2, RTS2, RXD2
CTS1, TXD1, RTS1, RXD1
FAX_VPP
To H-UDI CONNECTOR
for EMULATORS
From
RESET
CIRCUIT
RESETP-
MWAIT
CTS1, TXD1, RTS1
RXD1, CTS2, TXD2
RTS2, RXD2, FAX_RES-
RES_MFP-, MSW_OFF
VLED, FAX_VPP, CNCT_FAX-
FAX_PWON-, PRON_FAX-
DEBUG
MONITOR
CONNECTOR
FNETD-
RxD0, TxD0
PC for DEBUG
(DEBUG MONITOR TERMINAL)
(DEBUG MONITOR TERMINAL)
/ 4PIN
+3.3V,RxD0,TxD0,GND(DG)
BZ
SPSELA,SPELB
TXSELA,TXSELB,SPMUTE
DP,S,CML,MR,RCVMUTE-,MICMUTE-,CION
EC,RHS,VRSEL1-,VRSEL2-,VRSEL3-
RESET1-,RESET
F-NETD-
CA[0:11]
CD[0:15]
A[0:11]
D[0:15]
IRQ0-,IRQ1-,DBOOT,DPACK-
NDIRQ1-, NDIRQ2-, NDPACK-
+3.3V
+5V (F), +3.3V (F), +12V (F), GND (DG), GND (AG)
+12VS (F), GND(AGS), DCPR
RESET1-
VLED
MSW_OFF
FOR DEBUGGING (no-mounting)ADDRESS BUS
DATA BUS
LOCAL BUS
FAX_RES-
MANRES-
CNCT_FAX-
F-NETD-
HC132+LVC14
3.3V ← 5V
LCX16652 x 1
3.3V ⇔ 5V
LVC244 x 2
OEAB,OEBA-,CBA
SRAM
(WORK
MEMORY)
FLASH MEMORY
(PROGRAMU ROM)
CA[1:16]
CD[0:15]
CD[0:31]
CA[2:22]
CSROM-,IORES2-
MODEM
(DSP)
To FAX G/A, SERIAL EEPROM
RD-
RESET
RESET-
RESET
RESET
From
RESET CIRCUIT
Connect the ROM socket
DTC363E*2
3.3V ⇒ 5V
IORES0-
NHDRES-
BOOT
LVC244
3.3V ← 5V
BOOT
SCIF2
RS-232
TRANCEIVER
RS-232
TRANCEIVER
MFP-I/F
CONNECTOR
(ALL SIGNALS)
CID-
MODEM
(AFE)
DCPR
FAX G/A
TEL/LIU
CONNECTOR
CS2-,RD-,WE0-,WE1-
FLASH MEMORY
32bit
WRITING TIMING
ROM5V
To CPU
CS,RD/WR-
1.8V generation
LED x 1
SERIAL
EEPROM
CPU
ROM_VPP
ROM_VPP
To CPU
From INVERTER
To NIGHT TIME
FAX CIRCUIT
MWAIT
From FAX G/A
JP1
FNET
separation jumper
Frequency
diffusion
RESET-
MSW_OFF2
INVERTER
PRON_FAX
+5VS
FAX_PWON
PRON_FAX
To TD62503F
NIGHT TIME
FAX
CIRCUIT
NIGHT
TIME FAX
CIRCUIT
[08]ELECTRICALSECTION.fm 1 ページ 2003年11月12日 水曜日 午前9時48分
Commenti su questo manuale