
AR-168N/168L ELECTRICAL SECTION 13 - 1
[13] ELECTRICAL SECTION
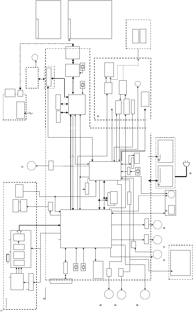
1. Block diagram
A. Overall block diagram
Carriage Unit Optional
CCD PWB
12V 12V
Reg
A5V
3.3V
R
G
8bits (MSB/LSB)
Optional
B
SPF Motor
5V
Speaker
(Power Supply unit)
Mechanical Load
FAX only (Optional) MPFS,RRS,CPFS1
MCU-PWB
(SPF UNIT SGS, SRRC, SPUS, SPPS,
4Mb
or 8Mb (Counter) MCNT
256Mbx1 or 16Mb
3.3V
D[7..0]
RD
IEEE 1284 I/F
CS
INT
Sensor/SW
(Electorical detector/SW/Sensor)
UART
CPU INTERRUPT
Printer CLK(16.1511MHz) SPPD
3.3V
CPU I/O
Scanner CLK(48MHz)
16.1511MHz
12MHz
Interlock SW
Cassette detector X 2
Drum Initial detector
PPD1
POD
A[19…1]
OPE PWB
MFD
Duplex Motor PPD2
D[15…0]
SDOD
1Mbit SPOD
PSL LED
Shifter Motor
Note: Energy-saving 1W correspondence)
8Mbit
8bit
Optional
I2C Bus 8bit
2Kbyte FAX OPE PWB
Buzzer
Fan Motor (1speed)
2nd Cassette
Main Motor Toner Motor Mirror Motor
(Optional)
Polygon
Mechanical load
Motor
CPFS2
Sensor/SW
PAPD,PPD3,
PD2,CED2
AC Code
KRONOS ASIC
(296pin)
CPU
H8S/2321
(19.6608MHz)
I
E
E
E
1
2
8
4
LSU
EEPROM
SDRAM
16Mbyte
Reset IC
SRAM
Driver
Flash ROM
AFE(AD9826)
C
D
S
A
G
C
M
P
X
AD
16bits
CCD Driver
CCFL x 2
Lamp
Inverter
HOME
POSITION
SENSOR
CCD
(uPD8861)
CPU CLK(19.6608MHz)
System Reset
SSCG
PMD
Driver
LED Driver LED
Copier 11pcs
HC151
KEY Matrix
Copier 24pcs
LVC1284
START KEY
POWER SUPPLY
/POFF,HL,PR
FW
3.3V,5VEN,5V,24V
HVU
TC, GRID, MC, BIAS
PMCLK
PSW
KEYIN
SELIN1,2,3
OP-CLK
OP-LATCH
OP-DATA
PSL
MHPS
Driver
Driver
/MMRDY
/MMD
PWM
0 - 24V
HC151
DC-DC
Image BUS(PI-Bus)
Image BUS(PO-Bus)
OA982
SDRAM Flash ROM
8
8
KEYSCAN1-3
ISP1581
USB2.0
High-speed
P-Bus
LCD
(2 x 20)
FAX I/F
HC238
(3 to 8 decode)
EEPROM
(CRUM)
LCD E
LCD RS
LCD R/W(TBD)
LCD DB7-4
FAX
Modem / LIU PCBA
Driver
LCX574
LASER
Network BOX
RJ45
(N/W
connec-
tor)
USB
DC Adapter
KEY Matrix
21 pcs
LED
3 pcs
13_ELECT.fm 1 ページ 2005年11月18日 金曜日 午後5時40分
Commenti su questo manuale