
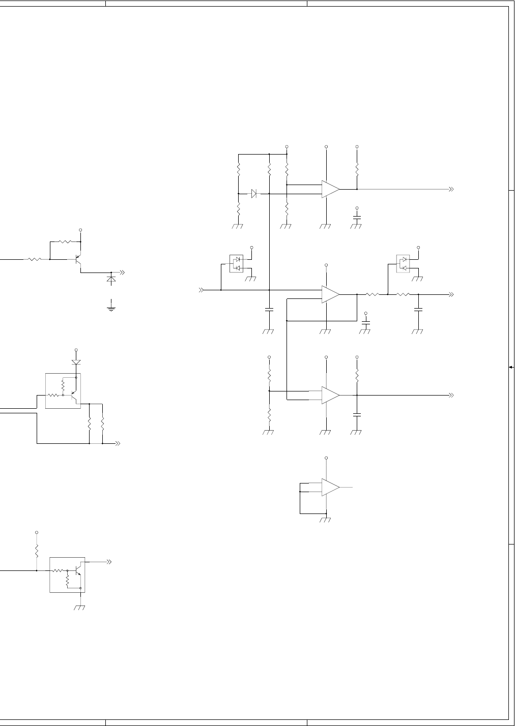
AR-168N/168L CIRCUIT DIAGRAM 14 - 10
R87
240J
R88
10kJ
D2
KDS226
2
1
3
IC22B
KIA393F
5
6
7
8
4
+
-
R68
7.5kF
Q1
KTA1505S
IC24B
KIA358F
5
6
7
8
4
+
-
R83
1.2kF
R71
4.3kF
R78
4.7kJ
1/4W
R85
10kF
R73
47kJ
R84
10kJ
D1
MA700
D40
1SS355
C114
22000p
R67
1MF
R81
300J
R66
1kF
R82
100J
D3
KDS226
2
1
3
C112
0.1u
R70
10kF
C111
22000p
C110
0.1u
IC24A
KIA358F
3
2
1
8
4
+
-
C113
0.1u
IC22A
KIA393F
3
2
1
8
4
+
-
D4
1SS355
Q2
KRA119S
1
2
3
R69
1kJ
Q3
KRC106S
1
2
3
R86
240J
12V
24V
INT5V
12VVCC3
VCC3 VCC3
12VVCC3
12V
12V
12V
VCC3
5V
5V
PGND
S
IDL
VFMOUT
HLOUT
CPFS1
MPFS
RRS
PR
VFMCNT
CLK_A
D
PS_1
EN
ref1
MD
ref2
ref0
PS_2
FTH
RTH
THOPEN
RTH_IN
FF
PS_3
SHOLD
NT
FS2
(10-A4)
(10-A4)
(10-B4)
(10-B4)
(10-A3)
(11-A3)
(11-A3)
(11-B3)
(11-B2)
(11-B2)
(6-A1)
(6-A1)
(6-A1)
(10-B3)
(10-B4)
(11-B2)
(11-B2)
(11-A4)
(6-A3)
(6-A3)
(6-A3)
(1-A3)
(4-A4)
(5-B2)
(11-C1)
C
C
D
D
E
E
4
3
2
1
5/14
14_CIRCUTDIAGRAM.fm 10 ページ 2005年11月18日 金曜日 午後7時14分
Commenti su questo manuale