Many
Manuals
search
Categorie
Marchi
Home
Sharp
Proiettori
PG-A20X
Manuale di Servizio
Sharp PG-A20X Manuale di Servizio Pagina 72
Scaricare
Condividere
Condivisione
Aggiungi ai miei manuali
Stampa
Pagina
/
124
Indice
SEGNALIBRI
Valutato
.
/ 5. Basato su
recensioni clienti
1
2
3
4
5
6
7
8
9
10
11
12
13
14
15
16
17
18
19
20
21
22
23
24
25
26
27
28
29
30
31
32
33
34
35
36
37
38
39
40
41
42
43
44
45
46
47
48
49
50
51
52
53
54
55
56
57
58
59
60
61
62
63
64
65
66
67
68
69
70
71
72
73
74
75
76
77
78
79
80
81
82
83
84
85
86
87
88
89
90
91
92
93
94
95
96
97
98
99
100
101
102
103
104
105
106
107
108
109
110
111
112
113
114
115
116
117
118
119
120
121
122
123
124
8
71
0
9
6
5
4
3
2
1
A
B
C
D
E
F
G
H
72
PG-A20X
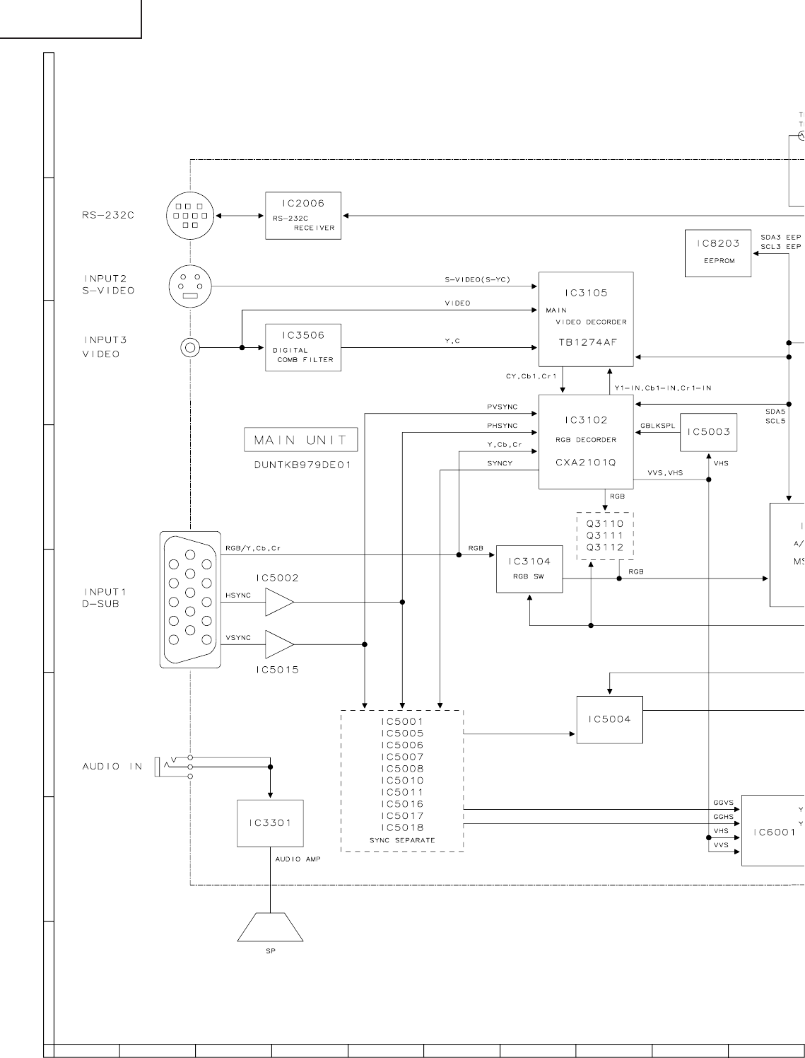
BLOCK DIA
GRAM / BLOCKSCHAL
TBILD
1
2
...
67
68
69
70
71
72
73
74
75
76
77
...
123
124
SERVICE MANUAL
1
SERVICE-ANLEITUNG
1
CONTENTS
2
Specifications
3
SAFETY NOTICE
4
AVIS POUR LA SECURITE
4
NOTE POUR LE PERSONNEL
5
D’ENTRETIEN
5
NOTE TO SERVICE
5
PERSONNEL
5
Lamp Replacement
6
Remplacement de la lampe
6
ATTENTION
7
PRECAUTION
7
Operation Manual
9
Projector (Rear View)
10
Remote Control (Front View)
11
2 Insert the batteries
12
PC control
13
Communication conditions
13
Basic format
13
Commands
13
Connection Pin Assignments
14
DIMENSIONS
15
REMOVING OF MAJOR PARTS
16
3.Removing the main PWB unit
17
Cleaning and Replacing
20
THE OPTICAL UNIT OUTLINE
21
ELECTRICAL ADJUSTMENT
23
White-to-White
24
Amplitude
24
Process menu1
29
Process menu2
30
TROUBLE SHOOTING TABLE
31
Technische Daten
38
HINWEISE FÜR DAS
39
WARTUNGSPERSONAL
39
Projektor (Hintersicht)
42
Fernbedienung (Vordersicht)
43
Einlegen der Batterien
44
Reichweite
44
PC-Steuerung
45
Kommunikationsbedingungen
45
Grundformat
45
ABMESSUNGEN
47
ENTFERNEN DER HAUPTTEILE
48
Reinigung und Austausch
52
G-Reflektor
53
ELEKTRISCHE EINSTELLUNG
55
Prozeßmenü 1
61
Prozeßmenü 2
62
FEHLERSUCHTABELLE
63
DESCRIPTION OF
76
SCHEMATIC DIAGRAM
76
BESCHREIBUNG DES
76
SCHEMATISCHEN SCHALTPLANS
76
WAVEFORMS / WELLENFORMEN
77
MAIN UNIT / HAUPTEINHEIT-1/12
78
MAIN UNIT / HAUPTEINHEIT-2/12
80
MAIN UNIT / HAUPTEINHEIT-3/12
82
MAIN UNIT / HAUPTEINHEIT-4/12
84
MAIN UNIT / HAUPTEINHEIT-5/12
86
MAIN UNIT / HAUPTEINHEIT-6/12
88
MAIN UNIT / HAUPTEINHEIT-7/12
90
MAIN UNIT / HAUPTEINHEIT-8/12
92
MAIN UNIT / HAUPTEINHEIT-9/12
94
1716 1918151413121110
101
POWER UNIT / NETZTEILEINHEIT
102
LEITERPLATTENEINHEITEN
105
ERSATZTEILLISTE
108
PARTS LIST
108
DUNTKB979FE01
109
RDENCA029WJN1
117
CABINET AND MECHANICAL PARTS
118
OPTICS MECHANISM PARTS
120
SUPPLIED ACCESSORIES
122
PACKING PARTS
122
SERVICE JIGS
122
Design : Japan
124
Production : Japan
124
Commenti su questo manuale
Nessun commento
Publish
Prodotti e manuali riguardandi Proiettori Sharp PG-A20X
Proiettori Sharp XV-Z12000 - Vision - DLP Projector Manuale di Servizio
(107 pagine)
Proiettori Sharp XV-Z30000 Operation Manuale Utente
(17 pagine)
Proiettori Sharp XG-P20XD Manuale di Servizio
(137 pagine)
Proiettori Sharp AN-NV6T Manuale Utente
(2 pagine)
Proiettori Sharp CE-LK1P Specifiche
(27 pagine)
Proiettori Sharp XV-Z20000 Manuale Utente
(2 pagine)
Proiettori Sharp XG-55X-L Manuale Utente
(71 pagine)
Proiettori Sharp XV-Z10000U - Vision - DLP Projector Manuale di Servizio
(178 pagine)
Proiettori Sharp XG-NV7XU Manuale di Servizio
(110 pagine)
Proiettori Sharp XG-F260X Manuale di Servizio
(24 pagine)
Proiettori Sharp PG-D210U Manuale Utente
(40 pagine)
Proiettori Sharp Notevision PG-F212X Manuale Utente
(4 pagine)
Proiettori Sharp PG-D100U Manuale di Servizio
(37 pagine)
Proiettori Sharp R-480E Guida Utente
(165 pagine)
Proiettori Sharp XG-P10XE Manuale di Servizio
(122 pagine)
Proiettori Sharp XG-NV7XU Manuale Utente
(66 pagine)
Proiettori Sharp XV-Z9000E Manuale di Servizio
(142 pagine)
Proiettori Sharp XG-C455W Manuale Utente
(73 pagine)
Proiettori Sharp PG-LW3500 Specifiche
(26 pagine)
Proiettori Sharp PG-B10S - SVGA LCD Projector Manuale Utente
(2 pagine)
Stampa documento
Stampa pagina 72
Commenti su questo manuale