
11
22
33
44
E
E
D
D
C
C
B
B
A
A
5.2V
5V
5V
5.2V
5V
5V
5V
5V
Jumper
J746
C-LCD
IC702
20KJ
R737
N,M
R751
N,M
R755
N,M
C719
CN701-3 SOD
N,M
C713
DTA143EKA
Q701
HD404344
IC701
0.1u
C718
20KJ
R715
1KJR724
0.1u
C716
D703
N,M
C708
0.1u
C717
D702
2KJ
R752
0.1u
C712
10KJ
VR701
1KJR741
CN701-2 VCC
0.1u
C715
CN701-7 D-GND
0.1u
C714
4.00MHz
Y701
20KJ
R736
470pF
C707
1KJR725
CN701-4 SID
20KJ
R748
510J 0.5W
R731
100J
R750
N,M
R754
1KJR742
1KJR740
CN701-6 /PANEL RESET
470pF
C706
470pF
C705
NJM431U
IC703
+
22U/16V
C702
0.1u
C704
20KJ
R749
CN701-1 A12V
0.1u
C701
+
22U/16V
C703
1KJR719
1KJR722
1KJR721
1KJR720
1KJR716
1KJR723
1KJR718
1KJR717
20KJ
R706
20KJ
R705
20KJ
R714
20KJ
R713
20KJ
R712
20KJ
R711
20KJ
R710
20KJ
R709
20KJ
R708
20KJ
R707
20KJ
R734
CN701-5 SCK
CN701-8 D-GND
20KJ
R735
CN701-9
F-GND
2.4kF
R733
2.7kF
R732
S741 S743S740 S747S744 S745S739 S742 S746
S730
S702
390J
R746
390J
R745
D701
390J
R747
30P
N,M
C709
0.1u
C711
N,M
C710
1MJR739
10KJR730
1KJR727
1KJR729
1KJR726
1KJR728
20KJ
R702
20kJ
R701
20KJ
R703
20KJ
R704
S701 S704S703
S737
S735
S738
S736
S733
S731
S734
S732
S727
S728
S729
S726
S723
S724
S725
S722
S719
S720
S721
S718
S717
S716
S713
S714
S715
S712
S709
S710
S711
S708
S705
S706
S707
12
16
GND
15
VS
14
VIN
13
VDD
12
VSS
11
DB7
10
DB6
9
DB5
8
DB4
7
DB3
6
DB2
5
DB1
4
DB0
3
E
2
R/W
1
RS
28
D5
27
D4
26
D3
25
D2
24
D1
23
D0
22
R03
21
SO
20
SI
19
/SCK
18
/RESET
17
TEST
16
VCC
15
R33
14
R32
13
R31
12
R30
11
GND
10
OSC2
9
OSC1
8
R23
7
R22
6
R21
5
R20
4
R13
3
R12
2
R11
1
R10
2
31
3 2
SCK
DAP202UDAP202U
DAN202UDAN202U
D707D706
D705D704 /PANEL RESET
1
KEYSEN1
LCDB4
LCDRS
LCDB5
LCDRW
LCDB6
LCDE
LCDB7
KEYCOM2
KEYCOM6
KEYCOM3
KEYCOM7
KEYCOM8
KEYCOM4
KEYCOM1
KEYCOM9
KEYCOM5
KEYSEN1
KEYSEN6
KEYSEN5
KEYSEN4
KEYSEN3
KEYSEN2
KEYSEN6
KEYSEN5
KEYSEN4
KEYSEN3
KEYSEN2
LED1 LED2 LED3
KEYCOM3
KEYCOM2
KEYCOM8
KEYCOM9
KEYCOM6
KEYCOM7
LCDE
LED3
KEYCOM1
KEYCOM5
KEYCOM4
SID
S0DLCDB7
LCDB6
LCDB5
LCDB4
LCDRW
LCDRS
LED2
LED1
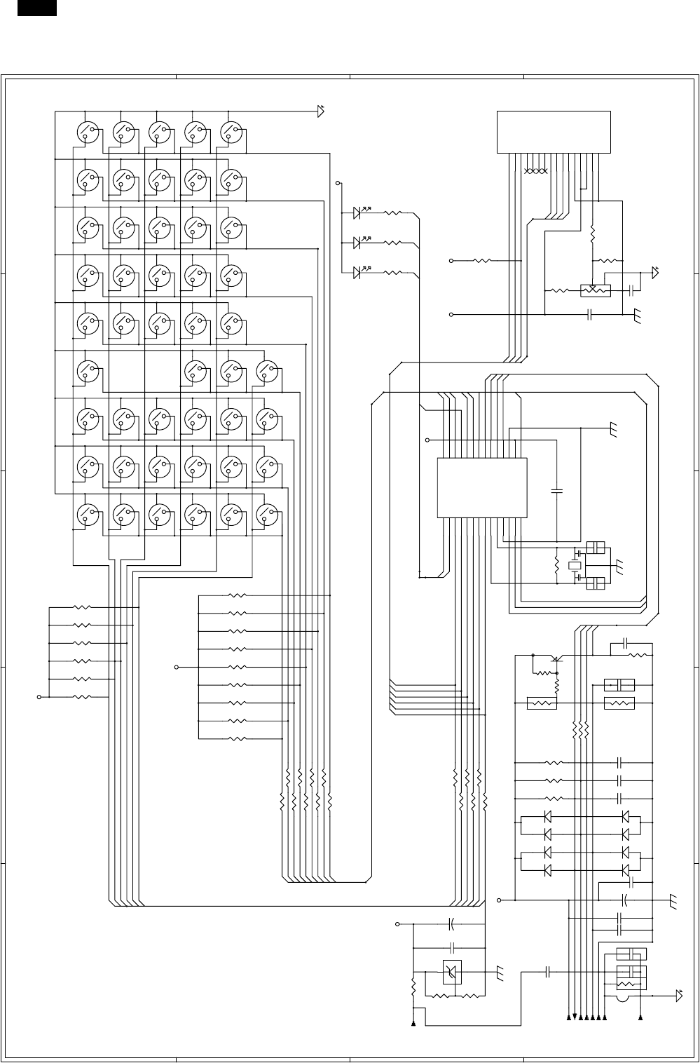
FAX LCD PWB (AR-F152 Only)
AR-F152
13 – 19
Commenti su questo manuale